Подшипниковые корпусы
Среди ассортимента подшипниковой продукции, реализуемой компанией «ПодшипникРУ», широко представлены все модели подшипниковых корпусов разных брендов.
Общая информация о продукции
Существующие корпусы для подшипниковых узлов принято подразделять по двум основным параметрам: конструктивному исполнению и материалу, из которого они изготовлены.
Первая категория включает следующие типы изделий.
Стационарные подшипниковые узлы:
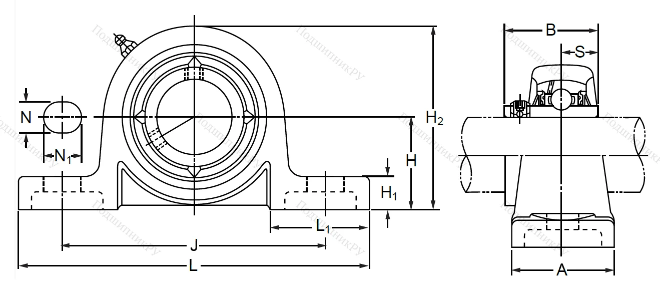
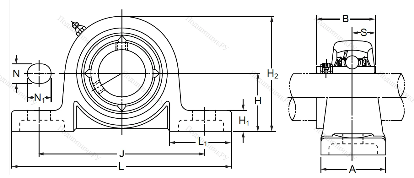
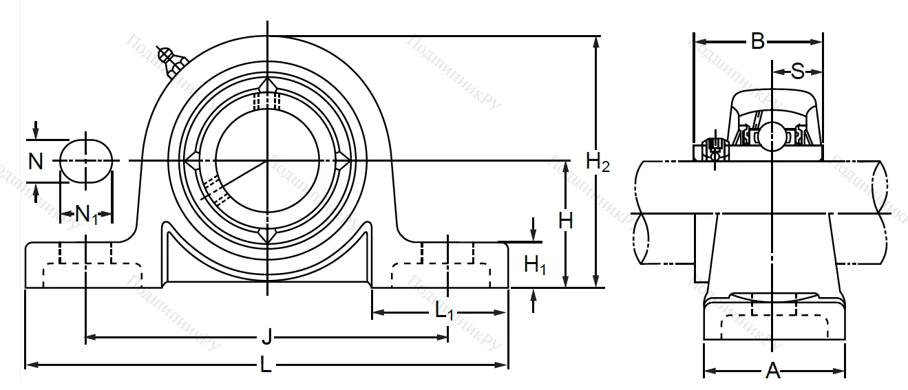
- на лапах (основная конструкция), предназначенные для установки на горизонтальных поверхностях, к которым они крепятся болтовыми соединениями (в лапах имеются специальные отверстия под 2 или 4 болта). Типы «Р» (PLE, PE);
- узкие стационарные подшипники без лап, крепление которых выполняется ботами (PG, PA, PAE). Вворачиваемыми в специальные глухие резьбовые отверстия, выполняемые в их донной части;
- стационарные на лапах для высокорасположенных валов (PH);
Фланцевые корпусы, имеющие фланцы различной формы, фиксируемые на вертикальных опорных поверхностях 2 – 4 ботами, для которых имеются соответствующие отверстия.
Фланцы могут быть:
- квадратными с четырьмя отверстиями. Тип F (FE, FS);
- круглыми (FC, FCE, FEE);
- треугольными (FTE);
- ромбовидными (FL, FLE, FLZ, FD);
- модифицированный ромб с захватом (FA, FAE).
Корпуса – картриджи (C).
Корпуса – кронштейны (EHE).
Для натяжных устройств (SP, T).
Корпуса собственно натяжных устройств.
Классификация, приведённая выше, используется брендом NTN-SNR. У иных производителей данные типы корпусов могут иметь иную маркировку.
В качестве материалов используется серый износостойкий чугун (литьё), листовая сталь (штамповка с последующей глубокой вытяжкой), термопластики.

























