- Технические характеристики и другая информация предоставляются для справки.
- Чертежи и изображения представлены для ознакомления
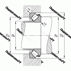
Подшипник 29412-E 1
В конструкцию включены два сферических кольца: свободное – вогнутое и тугое – выпуклое. Прочный корпус, стойкий к возникновению коррозий, является разборным, а его детали могут поставляться и монтироваться отдельно друг от друга.
Какими рабочими особенностями обладает Подшипник 29412-E1?
- Создана для эксплуатации в условиях осевых нагрузок, однако в некоторых случаях способна выдерживать также радиальный вектор сил, если последний составляет не более 50% от приложения по оси.
- Поверхность скольжения не требует дополнительного обслуживания, поэтому канал для подачи смазки отсутствует.
- При сборке использовались нормы международных стандартов ISO.
Приобрести со скидкой уже сегодня Подшипник 29412-E1 с необходимыми размерами, наружным: D - от 130мм до 420мм и внутренним диаметром: d - 60мм можно в интернет-каталоге нашего магазина!
| Параметр | Значение |
|---|---|
| m | 2.39 кг |
| d | 60 мм |
| D | 130 мм |
| В; Н; Т | 42 мм |
| Обозначение по ISO | 29412-E1 |
| Упорные радиальные сферические подшипники, Подшипники качения, Упорные цилиндрические роликовые подшипники |
|
Производитель
|
FAG |
|
Ширина B
|
42 |
|
Внешний диаметр D
|
130 |
|
Внутренний диаметр d
|
60 |
|
Размер
|
60x130x42 |
|
Вес, кг
|
2.39 |
|
Модель
|
29412-E1 |
Похожие по размеру
Оформить заказ на нашем сайте легко. Просто добавьте выбранные товары в корзину, а затем перейдите на страницу Корзина, проверьте правильность заказанных позиций и нажмите кнопку «Оформить заказ» или «Быстрый заказ».
Функция «Быстрый заказ» позволяет покупателю не проходить всю процедуру оформления заказа самостоятельно. Вы заполняете форму, и через короткое время вам перезвонит менеджер магазина. Он уточнит все условия заказа, ответит на вопросы, касающиеся качества товара, его особенностей. А также подскажет о вариантах оплаты и доставки.
По результатам звонка, пользователь либо, получив уточнения, самостоятельно оформляет заказ, укомплектовав его необходимыми позициями, либо соглашается на оформление в том виде, в котором есть сейчас. Получает подтверждение на почту или на мобильный телефон и ждёт доставки.
Если вы уверены в выборе, то можете самостоятельно оформить заказ, заполнив по этапам всю форму.
Выберите из списка название вашего региона и населённого пункта. Если вы не нашли свой населённый пункт в списке, выберите значение «Другое местоположение» и впишите название своего населённого пункта в графу «Город». Введите правильный индекс.
В зависимости от места жительства вам предложат варианты доставки. Выберите любой удобный способ.
Оплата
Выберите оптимальный способ оплаты.
Введите данные о себе: ФИО, адрес доставки, номер телефона. В поле «Комментарии к заказу» введите сведения, которые могут пригодиться курьеру, например: подъезды в доме считаются справа налево.
Проверьте правильность ввода информации: позиции заказа, выбор местоположения, данные о покупателе. Нажмите кнопку «Оформить заказ».
Наш сервис запоминает данные о пользователе, информацию о заказе и в следующий раз предложит вам повторить к вводу данные предыдущего заказа. Если условия вам не подходят, выбирайте другие варианты.

