- Технические характеристики и другая информация предоставляются для справки.
- Чертежи и изображения представлены для ознакомления
Однорядный шариковый подшипник 630/8 2RS 1
Однорядный шариковый подшипник 630/8 2RS1 является разновидностью наиболее распространённых вариантов подшипников качения. Это однорядный аксиальный шарикоподшипник, входящий в ассортимент многих известных брендов FAG, NSK, SNR, SKF, KOYO.
Имеет неразборную конструкцию. В зависимости от типа может быть открытым и закрытым.
В зависимости от типа выполняется со стандартным, уменьшенным, С2, или увеличенным С3 (4,5) зазором. Рассчитан на восприятие высоких аксиальных нагрузок при величине осевых, стремящеихся к нулю. Предлагается в метрическом и дюймовом исполнении. Не является самоустанавливающимся. Требует высокой соосности (допустимый перекос ≤15’). Для надёжной работы подшипник данного типа должен находиться под постоянным воздействием определённой внешней нагрузкой.
Какой вариант конструктивного исполнения имеет сепаратор в серии Однорядный шариковый подшипник 630/8 2RS1?
- штампованный, с центровкой по шарикам: стальной (суффикса нет), латунный (суффикс Y);
- клёпаный и штампованный, с центрированием по шарам: стальной (без маркировки), латунный (Y)
- латунный, прошедший механообработку: центровка по шарам или по наружной обойме (М);
- литой, из полиамида стеклонаполненного, с центровкой по шарикам (TN9), допускает работу при температурах ≤+120° C.
Заинтересованы в покупке качественной серии Однорядный шариковый подшипник 630/8 2RS1 известного бренда (оригинал, аналог)? Закажите его у нас.
| Бренд | SKF |
| Страна производитель | ЯПОНИЯ |
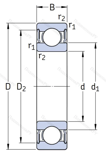
| Внутренний диаметр d | 8 мм |
| Внешний диаметр D | 22 мм |
| Ширина B(H) | 11 мм |
|
Производитель
|
SKF |
|
Ширина B
|
11 |
|
Внешний диаметр D
|
22 |
|
Внутренний диаметр d
|
8 |
|
Размер
|
8x22x11 |
|
Модель
|
630/8 2RS1 |
Похожие по размеру
Оформить заказ на нашем сайте легко. Просто добавьте выбранные товары в корзину, а затем перейдите на страницу Корзина, проверьте правильность заказанных позиций и нажмите кнопку «Оформить заказ» или «Быстрый заказ».
Функция «Быстрый заказ» позволяет покупателю не проходить всю процедуру оформления заказа самостоятельно. Вы заполняете форму, и через короткое время вам перезвонит менеджер магазина. Он уточнит все условия заказа, ответит на вопросы, касающиеся качества товара, его особенностей. А также подскажет о вариантах оплаты и доставки.
По результатам звонка, пользователь либо, получив уточнения, самостоятельно оформляет заказ, укомплектовав его необходимыми позициями, либо соглашается на оформление в том виде, в котором есть сейчас. Получает подтверждение на почту или на мобильный телефон и ждёт доставки.
Если вы уверены в выборе, то можете самостоятельно оформить заказ, заполнив по этапам всю форму.
Выберите из списка название вашего региона и населённого пункта. Если вы не нашли свой населённый пункт в списке, выберите значение «Другое местоположение» и впишите название своего населённого пункта в графу «Город». Введите правильный индекс.
В зависимости от места жительства вам предложат варианты доставки. Выберите любой удобный способ.
Оплата
Выберите оптимальный способ оплаты.
Введите данные о себе: ФИО, адрес доставки, номер телефона. В поле «Комментарии к заказу» введите сведения, которые могут пригодиться курьеру, например: подъезды в доме считаются справа налево.
Проверьте правильность ввода информации: позиции заказа, выбор местоположения, данные о покупателе. Нажмите кнопку «Оформить заказ».
Наш сервис запоминает данные о пользователе, информацию о заказе и в следующий раз предложит вам повторить к вводу данные предыдущего заказа. Если условия вам не подходят, выбирайте другие варианты.



